忘年会に最適!? 使い捨てライターで離れた場所にあるLEDを点灯するガジェット注目デバイスで組み込み開発をアップグレード(31)(2/3 ページ)

» 2025年12月11日 06時00分 公開
[今岡通博MONOist]

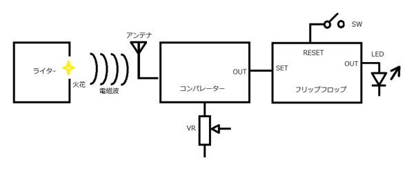
リモートキャンドルの仕組み

 図4を使って、使い捨てライターが着火すると同時にLEDが点灯するリモートキャンドルの仕組みを説明します。

図4 図4 リモートキャンドルの仕組み[クリックで拡大]

 図4の左側にあるライターが着火するとき、ピエゾ(圧電物質)に物理的刺激を与えることで高電圧が起こり電極の間に火花を発生させます。これが電磁波の発生源となります。

 電磁波は空間を伝わり、図4の中央の回路のアンテナが起電します。この回路のコンパレーターは、アンテナからの電圧とVR(可変抵抗)で生成した電圧を比較し、アンテナの電位に変化があればコンパレーターはパルスを出力します。そのパルスは図4の右側にあるフリップフロップ回路のSETに入力され、たとえ極めて短時間のパルスであってもフリップフロップはOUTの出力をRESETにつながったSWが押下されるまで保持します。OUTにつながったLEDはその間点灯します。

「NE555」を使う

 リモートキャンドルの回路では「NE555」というICを用います。NE555は連載第8回などで紹介しているので、詳しくはそちらをご覧ください。

 図5はNE555のパッケージの外観です。

図5 図5 「NE555」のパッケージの外観[クリックで拡大] 出所:Wikipediaより、de:User:Stefan506、CC BY-SA 3.0、ウィキメディア・コモンズ経由で

 パッケージの両側面に4本ずつ、計8本のピンが並んでいます。このタイプのパッケージは一般にDIP(Dual In-line Package)と呼ばれています。ピンの間隔は、一般的に2.54mm(0.1インチ)に標準化されています。スルーホールタイプのパッケージなのでブレッドボードに挿して使うことができます。

 ちなみにNE555は表面実装用のパッケージも用意されていますが、今回はブレッドボードを使うのでこのDIPタイプを用います。

 図6はNE555のピン配列を示しています。

図6 図6 「NE555」のピン配列

 この後で、リモートキャンドルの回路をブレッドボード上に実装しますが、その際のピン確認などで再度参照することになると思います。

 図7はNE555の内部のブロックダイヤグラムです。

図7 図7 「NE555」の内部回路のブロックダイヤグラム[クリックで拡大] 出所:Wikipediaより、BlanchardJ、パブリックドメイン、ウィキメディア・コモンズ経由で

 先に挙げた図4のリモートキャンドルの仕組みで出てきたコンパレーターやフリップフロップ回路がNE555の中に包含されていることが分かります。これ1個でリモートキャンドルが作れるというわけです。とても都合のいいICが見つかったものだとお思いの読者もいらっしゃるかもしれませんが、実はその逆です。NE555のモードの一つである両安定モードを活用する用途はないかと考えているときに思い付いたのがこのリモートキャンドルなのです。

Copyright © ITmedia, Inc. All Rights Reserved.

特別協賛PR
スポンサーからのお知らせPR
Pickup ContentsPR
Special SitePR
あなたにおすすめの記事PR