忘年会に最適!? 使い捨てライターで離れた場所にあるLEDを点灯するガジェット注目デバイスで組み込み開発をアップグレード(31)(3/3 ページ)

» 2025年12月11日 06時00分 公開
[今岡通博MONOist]
前のページへ 1|2|3       

フリップフロップ動作の確認

 まずはフリップフロップ回路単体の動作から確認していきましょう。

 図8はフリップフロップ動作を確認するための回路図です。

図8 図8 フリップフロップ動作を確認するための回路図[クリックで拡大]

 前ページの図6で示したNE555の内部のブロックダイヤグラムも併せて参照してください。

 抵抗R1は、LED電流を制限するための抵抗です。数百Ω程度のものを選択してください。抵抗値を小さくすればLEDは明るく輝きますが、小さくしすぎるとLEDにもNE555にも負担がかかります。100Ω以上が適切でしょう。抵抗R2はリセット信号を送るスイッチSW1のプルアップ抵抗です。数kΩが適当ですが、今回の実装では3.3kΩとしました。SW1を押下するとリセットがかかります。

 スイッチSW2を押下するとコンパレーターを経由してフリップフロップのSETにつながります。このスイッチを一度押下するとリセットスイッチSW1を押下するまでLEDは点灯し続けます。

 抵抗R3はR2と同様プルアップ抵抗で値も同じ3.3KΩです。

 5番ピンはコンデンサーC1を介してグランドに落としていますが、これはノイズ対策のもので、0.01μ〜0.1μFの値のものを使います。筆者の場合、コンデンサーC1を使わずに、電源として比較的ノイズの多いモバイルバッテリーを用いても誤動作は確認できませんでした。

 6番ピンはもう一つのコンパレーターの出力がフリップフロップにつながっていますが、出力の値を固定するためにグランドに落としています。

 図9は図8の回路をブレッドボードに実装したものです。

図9 図9 フリップフロップ動作を確認するための回路を実装したブレッドボード[クリックで拡大]

 青いボタンがSW2、白いボタンがSW1で、ブレッドボードの右側にあるUSBコネクターから電源を供給します。

リモートキャンドルの実装

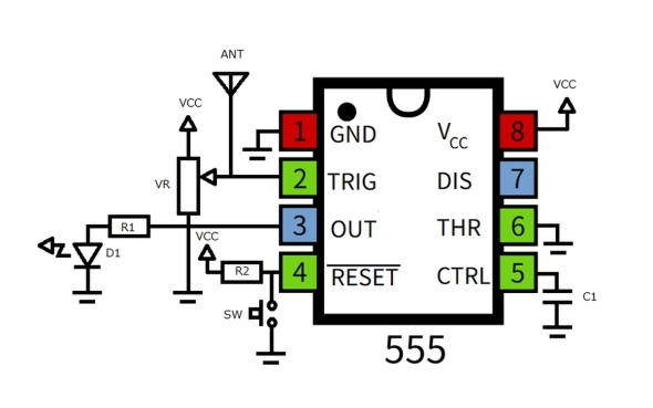
 図10にリモートキャンドルの回路を示します。

図10 図10 リモートキャンドルの回路図[クリックで拡大]

 図8で示した「フリップフロップ回路の動作確認」の実装と異なるのは、2番ピンのTRIGだけです。この2番ピンに接続したVRによって、VCCからグランドまで任意の電位を与えられるようにします。2番ピンの電位がある一定以下になるとLEDが点灯するのですが、LEDが点灯しないギリギリのところで調整します。そしてその2番ピンのところにアンテナを接続します。アンテナは電磁波を受けると起電します。起電した電位とVRが作った電位の合計がしきい値を下回るとフリップフロップ回路がSET状態となりLEDが点灯するのです。

 図11は図10で示した回路をブレッドボードに実装したものです。

図11 図11 リモートキャンドルの回路を実装したブレッドボード[クリックで拡大]

 青いノブがVRです。右下角から伸びる黄色いジャンパー線がアンテナです。筆者の実験したときは長さを30cmくらいにしました。これでもVRの調整次第では1m程度離れたライターの火花に反応してLEDが点灯します。

 アンテナを長くすれば感度が向上し、離れたところのライターの着火にも反応するようになります。その一方でノイズによる誤作動も起こりやすくなります。例えば、落雷や蛍光灯の通電時のノイズ、あるいは近くでモーターなどが動作すればそれらにも反応するかもしれません。

 そのあたりはアンテナの長さやVRで調整してみてください。

おわりに

 というわけで百数十年以上前に行われたヘルツの火花放電の実験を現代風に体験できるガジェットでした。そのあたりの逸話も交えて忘年会で披露していただければ人気者になること間違いなしです。ご健闘をお祈りいたします。

⇒MONOist編集部へのご意見はこちらまで

前のページへ 1|2|3       

Copyright © ITmedia, Inc. All Rights Reserved.

特別協賛PR
スポンサーからのお知らせPR
Pickup ContentsPR
Special SitePR
あなたにおすすめの記事PR