【レベル4】図面の穴寸法の表記を攻略せよ! : テルえもんクエストII(4) (2/2 ページ)
それでは、今回のアイテムを駆使して、前回(レベル3) の最後に登場した問スター(5) を攻略していきましょう!
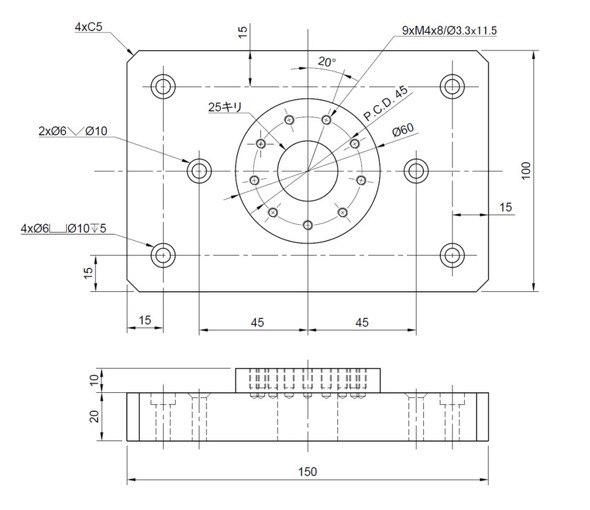
図5 の図面には前回の表記に加え、今回説明した最新JIS規格での表記も追記してあります。
図5 問スター(5)[クリックで拡大]
隠線をうまく読み取りながら3D形状を作成しましょう。穴のサイズはM4、ねじ深さは8mm、止まり穴の深さは11.5mmです。穴は10mm間隔で、左右に4個ずつ(計8個)開ける必要があります。
それでは、まずは自力で問スター(5)にチャレンジしてみてください!
どうしても倒せない(分からない)場合や、倒し方の手順を知りたいという方は、テルえもん直伝の攻略法動画を参考にしてみてください(動画1 )
いかがでしたでしょうか? 今回は、メカ設計の基本中の基本である穴寸法の表記について取り上げました。
何とか問スターを撃退したところで、休む間もなく新手の登場です(図6 )。よく観察して、今回解説したさまざまな穴を、実際に3D CADで開けてみましょう!!
図6 問スター(6)[クリックで拡大]
問スター(6) の倒し方の手順と、テルえもん直伝の攻略法動画は次回お届けします!! それでは、次のクエストでまたお会いしましょう! (レベル5へ続く)
⇒ 連載バックナンバーはこちら
小原照記 (おばら てるき)
いわてデジタルエンジニア育成センターのセンター長、3次元設計能力検定協会の理事長も務める。3D CADを中心とした講習会を小学生から大人まで幅広い世代の人に行い、3Dデータを活用できる人材を増やす活動をしている。また企業の困り事に対し、デジタルツールを使って支援している。人は宝、財産であると考え、時代に対応する、即戦力になれる人財、また、時代を創るプロフェッショナルな人財の育成を目指している。優秀な人財がいるところには、仕事が集まり、人が集まって、より魅力ある街になっていくと考えて地方でもできること、地方だからできることを考えて日々活動している。
【レベル3】図面の寸法値を複数回使うべからず!
設計スキルのレベルアップを目指す設計者の皆さんを“冒険者”に見立て、さまざまな“問(モン)スター”に挑む「テルえもんクエストII」の世界へようこそ。【レベル3】のテーマは、「図面の寸法値を複数回使うべからず!」だ。
【レベル2】指示された寸法値のみ使用せよ!
設計スキルのレベルアップを目指す設計者の皆さんを“冒険者”に見立て、さまざまな“問(モン)スター”に挑む「テルえもんクエストII」の世界へようこそ。【レベル2】のテーマは、「指示された寸法値のみ使用せよ!」だ。
【レベル1】2D図面から3Dモデルを作成せよ!
ようこそ、「テルえもんクエストII」の世界へ――。設計者の皆さんを“冒険者”に見立て、さまざまな“問(モン)スター”に挑む学習クエストの旅が始まります。攻略のカギとなる“アイテム(解説)”を駆使しながら、設計スキルのレベルアップを目指しましょう!
設計者のスキルアップ/学びに役立つ解説記事をピックアップ
連載「テルえもんが見たデジタルモノづくり最前線」では、筆者が日々ウォッチしているニュースや見聞きした話題、企業リリース、実体験などを基に、コラム形式でデジタルモノづくりの魅力や可能性を発信していきます。連載第10回では、設計者のスキルアップ/学びをテーマに、MONOistのオススメ連載記事を紹介します。
3D CAD利用動向調査から考える導入/活用の進め方
連載「テルえもんが見たデジタルモノづくり最前線」では、筆者が日々ウォッチしているニュースや見聞きした話題、企業リリース、実体験などを基に、コラム形式でデジタルモノづくりの魅力や可能性を発信していきます。連載第4回のテーマは「3D CADの導入と活用の進め方」です。
3D CAD操作の効果的な習得とモデリング力をアップするための秘訣とは
現代のモノづくりにおいて、3D CADやCAE、CAM、3Dプリンタや3Dスキャナーといったデジタル技術の活用は欠かせない。だが、これらを単に使いこなしているだけではデジタル技術を活用した“真の価値”は発揮できない。必要なのは、デジタル技術を活用し、QCDの向上を図り、安全で魅力ある製品を創り出せる「デジタルエンジニア」の存在だ。連載第3回では「3D CAD操作の効果的な習得とモデリング力をアップするための秘訣」について解説する。
Copyright © ITmedia, Inc. All Rights Reserved.