【レベル4】図面の穴寸法の表記を攻略せよ!テルえもんクエストII(4)(1/2 ページ)

設計スキルのレベルアップを目指す設計者の皆さんを“冒険者”に見立て、さまざまな“問(モン)スター”に挑む「テルえもんクエストII」の世界へようこそ。【レベル4】のテーマは、「図面の穴寸法の表記を攻略せよ!」だ。

» 2025年09月18日 07時00分 公開

本連載について:

ようこそ、「テルえもんクエストII」の世界へ――。設計スキルのレベルアップを目指す設計者の皆さんを“冒険者”に見立て、毎回クエスト(課題/テーマ)に沿って、さまざまな問(モン)スター(問題)が登場します。

筆者(テルえもん)から渡されるアイテム(基礎知識)を駆使して問スターを倒し、レベルアップ(スキルアップ)を目指しましょう!


⇒前回の【レベル3】はこちら

【レベル4】図面の穴寸法の表記を攻略せよ!

 メカ設計において「」は、部品同士をボルトで締結するための通し穴や、位置決めピンを挿入するためのリーマ穴など、その用途は多岐にわたります。図面に穴をどのように表記するかは、設計者にとって基本中の基本となります。

 多くの設計者は3D CADを活用して3D形状をモデリングし、そこから2D図面を作成します。3D CAD上で穴を定義すれば、自動的に直径や深さ、ねじ仕様などが付与され、2D図面にもそのまま反映されます。

 こうした機能は非常に便利で、設計業務の効率化に大きく貢献します。しかし、3D CADの機能に頼り切ってしまうと、現場に誤解を与えてしまうような図面を作成してしまう可能性もあります。

 今回は、JIS規格を中心に、穴寸法の表記方法と実務で注意すべきポイント(アイテム)を伝授します。

アイテム(1)穴の表記について

1-1.引き出し線を使った穴寸法表記

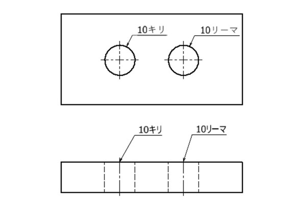
 穴を正面から見たときは、穴の外周から斜め半径方向に線を引き出します。断面で見たときは、穴の中心線と外形線の交点から斜めに引き出します。また、穴の加工方法を区別して記載する場合もあります。

 例えば、ドリルによる加工の場合には直径の値の後に「キリ」、リーマを通す穴には「リーマ」と記載することがあります(図1)。詳しい加工方法記号は、「JIS B 0122:1978 加工方法記号:Symbols of metal working processes」で規定されています。

直径10mmのキリ穴とリーマ穴の記載例 図1 直径10mmのキリ穴とリーマ穴の記載例[クリックで拡大]

1-2.穴の深さの表記

 貫通しない穴は、図2左のように記号を用いて穴の深さを指示します。記号を使わずに、例えば「深さ15」と記載する場合もありますが、最新のJIS規格では記号を用いて穴の加工深さを指示します。

一般的な穴の記載例と説明図 図2 一般的な穴の記載例と説明図[クリックで拡大]

1-3.ざぐり穴の表記

 穴寸法の後に、ざぐりを示す記号、ざぐり径、ざぐり深さを、記号と数値の順で表記します(図2左から2番目)。

1-4.皿穴の表記

 穴径を示す数字の後に、皿ざぐり記号とざぐり入り口径の数字を記載します(図2右から2番目)。

1-5.ねじ穴の表記

 ねじにはさまざまな種類があり、ねじの規格に合わせて図示します(図2右)。

 例えば、「メートルねじ」は、記号「M」に続けて呼び径を記載するのが基本です。標準的な「並目ねじ」の場合にはピッチを記載しなくてもよいですが、「細目ねじ」などの場合には、呼び径×ピッチを記載します。下穴を貫通させない(止まり穴)場合には、止まり穴の径と深さを記載します。

1-6.複数穴の表記

 同じ穴が複数ある場合は、「数×穴径」で記載します(図3)。

同じ穴が複数ある場合の記載例 図3 同じ穴が複数ある場合の記載例[クリックで拡大]

1-7.等間隔で開いている穴の表記

 多数の穴が等間隔で開いている場合は、間隔の数と1区間の間隔(P:ピッチ)を記載します(図4)。

 表記方法には、「合計距離(間隔の距離×間隔の数)」や「間隔の数×間隔の距離(=合計の距離)」など、いくつかの種類があります。また、ピッチの頭に「P」を付けて表記するケースも見られます。

等間隔で開いている穴の表記例 図4 等間隔で開いている穴の表記例[クリックで拡大]
       1|2 次のページへ

Copyright © ITmedia, Inc. All Rights Reserved.

特別協賛PR
スポンサーからのお知らせPR
Pickup ContentsPR
Special SitePR
あなたにおすすめの記事PR