【レベル1】2D図面から3Dモデルを作成せよ!テルえもんクエストII(1)(1/4 ページ)

ようこそ、「テルえもんクエストII」の世界へ――。設計者の皆さんを“冒険者”に見立て、さまざまな“問(モン)スター”に挑む学習クエストの旅が始まります。攻略のカギとなる“アイテム(解説)”を駆使しながら、設計スキルのレベルアップを目指しましょう!

» 2025年06月26日 07時00分 公開

はじめに

 皆さん、こんにちは! 小原照記(おばらてるき)と申します。個人のSNSやブログでは、「テルえもん」という名前で情報を発信させていただいております。

 普段は岩手県の「いわてデジタルエンジニア育成センター」という施設で、3D CADを中核としたデジタルエンジニアの育成に加え、“企業さんのお困りごと”をヒアリングし、課題解決を支援する取り組みも行っています。当センターでは、さまざまな3D CADをはじめとするデジタルモノづくり関連の設備を保有しており、学生や企業向けの講習会の開催、3Dプリンタでの試作、3Dスキャナーを用いた検査/リバースエンジニアリングの受託などを行っています。

 連載「テルえもんクエストII」では、設計スキル向上を目指して資格取得に挑戦する皆さんに向けて、学習コンテンツを発信していきます。

 機械設計や3D CAD、3Dプリンタに関連する主な資格試験には、以下のようなものがあります。

  • 3次元CAD利用技術者試験
  • 3Dプリンター活用技術検定試験
  • 3次元設計能力検定試験
  • SOLIDWORKS認定プログラム
  • オートデスク認定資格プログラム

 それぞれの試験の詳細については、過去の連載「テルえもんの3Dモノづくり相談所」の第11回「3Dモノづくりに役立つ資格を取得したいが、どう取り組めばよいか分からない……」で紹介していますので、併せてご参照ください。

 筆者は、これら5つの試験を実際に受験したことがあり、資格も保有しています(筆者の経歴と保有資格について)。また、セミナーの講師として指導もしています。この経験を生かして、今回、読者の皆さんに有益な情報を提供していきたいと思っています。

本連載の流れ

 連載名に“クエスト”とある通り、本連載ではクエスト(課題/テーマ)に沿って、毎回さまざまな問(モン)スター(問題)が登場します!

 読者の皆さんは冒険者(設計者)として、立ちはだかる問スターを倒さなければなりません。

 もちろん、準備なしで戦っても勝ち目はありませんので、筆者(テルえもん)から問スターを倒すために必要なアイテム(基礎知識)をお渡しします。アイテムを駆使して問スターを倒し、レベルアップ(スキルアップ)を目指しましょう。回を追うごとに、登場する問スターも少しずつ手強くなっていきますよ!

 文章と図による解説だけでは、アイテムの使い方や問スターの倒し方を理解するのが難しいかもしれません。そんな冒険者のために、攻略法を解説したテルえもん直伝の動画(YouTubeチャンネル「テルえもんCADルーム」)も用意してあります。こちらも併せてご覧いただきながら、問スターを攻略してみてください。

 ところで、なぜ“II”なのか……? 実は本連載は、VOSTが運営するCAD/CAM/CAE関連の技術メディア「キャド研」で連載していた「テルえもんクエスト」の続編に当たります。今回、そのスタイルを継承/進化させた新たな“冒険”として、皆さんと一緒にスキルアップの旅に出たいと思います。どうぞ最後までお付き合いください!

【レベル1】2D図面から3Dモデルを作成せよ!

 3D CADに関する資格試験でよく出題されるのが、「2D図面を見ながら3Dモデルを作成する」という問題です。今回のレベル1では、その基本的な問題に挑戦していきます。

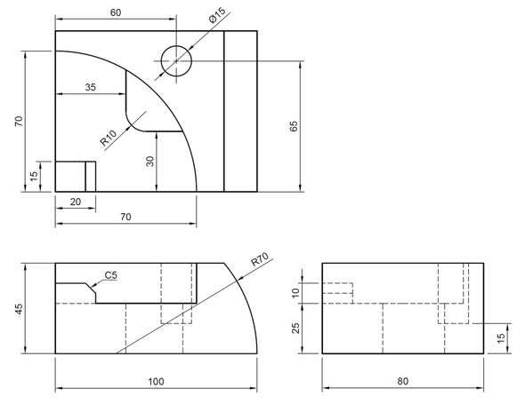
 例えば、図1のような2D図面が出題されます。

3D CADの資格試験で出題される2D図面の例 図1 3D CADの資格試験で出題される2D図面の例[クリックで拡大]

 この2D図面を基に、3Dモデルをどのように作成すればよいのか。その手順と解答形状は、動画1で確認できます。なお、使用しているソフトウェアは「Autodesk Fusion」になります。

動画1 資格試験3D CAD問題例(2D図面→3Dモデル作成)
       1|2|3|4 次のページへ

Copyright © ITmedia, Inc. All Rights Reserved.

特別協賛PR
スポンサーからのお知らせPR
Pickup ContentsPR
Special SitePR
あなたにおすすめの記事PR