転換期のPLC〜その進化の軌跡と現在地PLCの現在 過去 未来(1)(1/2 ページ)

本稿では、34年間PLCと共に歩んできた筆者の視点から、全3回にわたって今、PLCが迎えている重要な転換期を読み解きます。今回は、まずPLCの進化の軌跡をたどり、その“現在地”を明らかにします。

» 2025年08月19日 06時00分 公開
[岡実MONOist]

はじめに:三大PLCメーカーの“Xシリーズ”がそろった2025年

 工場の自動化を担う頭脳、PLC(プログラマブルロジックコントローラー)。製造業に携わる方であれば、その名を知らない方はいないでしょう。普段は制御盤の中に収まり、黙々と稼働を続けるこのデバイスの世界で今、大きな変化が起きています。

 2025年、日本のPLCの世界に新たな節目が訪れました。三菱電機が「MXコントローラ」、キーエンスが「KV-Xシリーズ」を発売。オムロンは「NXシリーズ」で、制御と情報の融合やセキュリティを視野に入れた次世代PLCの方向性をいち早く打ち出していましたが、ここにきて三菱とキーエンスも「X」を冠した製品で同じ潮流に加わりました。日本の三大PLCメーカーが、いずれも“制御の未来”をXに託す時代が到来したといえるでしょう。

 そこで本稿では、34年間PLCと共に歩んできた筆者の視点から、全3回にわたってこの重要な転換期を読み解いていきます。

 まず、前編ではPLCの進化の軌跡をたどることで“現在地”を明らかにし、次にアンケート編として筆者が行ったアンケートに寄せられた130件もの現場の声から、リアルな課題と期待を浮き彫りにします。そして後編では、それらを踏まえてPLCが向かうべき未来像を展望します。

⇒連載「PLCの現在 過去 未来」のバックナンバーはこちら

PLCとは何か

 PLCは、工場の機械を自動で動かすための、いわば工場の小さな司令塔です。では、その中身はどうなっているのでしょうか。

 一般的にPLCは、主に3つの部分から成り立っています。

  • 入力部:現場の状況を把握する「五感」の役割を担います。スイッチやセンサーからのON/OFFといった信号を受け取ります
  • CPU部:人間でいえば「脳」にあたる、制御の中心です。メモリに格納されたプログラムを読み出し、演算を行い、各部に指令を出します
  • 出力部:指令を実行する「手足」です。CPUの命令に従って、ランプを点灯させたり、モーターを回転させたりするための信号を送ります

図1 PLCの例と基本構成 図1 PLCの例と基本構成[クリックで拡大]

 このシンプルな仕組みが、なぜ製造現場に革命をもたらしたのでしょうか。その答えは、PLCが誕生した歴史的背景にあります。

 PLCが生まれる前、工場の自動化はリレー制御が主役でした。これは電磁石を使ったスイッチであるリレーを無数に組み合わせ、物理的な配線で制御ロジックを組む方式です。

 しかし、米国の自動車メーカーGMをはじめとする製造現場では、モデルチェンジのたびにこのスパゲティのように入り組んだ配線を全てやり直す必要があり、その膨大な時間とコストが経営課題となっていたようです。

 この課題を解決したのがPLCです。1968年にModicon(現在のシュナイダーエレクトリック)が開発した「Modicon 084」が、世界初のPLCとされています。その核心は、リレー回路が担っていた役割をソフトウェア、つまりプログラムに置き換えるという画期的なアイデアでした。

図2 リレー制御とPLC制御 図2 リレー制御とPLC制御

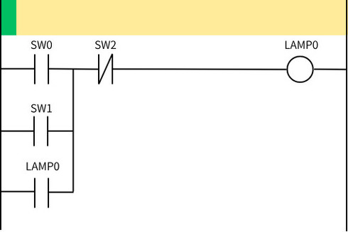
 PLCの普及を決定づけたのが、ラダー図というプログラミング言語です。これは、技術者たちが見慣れたリレー回路図とそっくりの見た目をしており、彼らが直感的に理解し、プログラムを組むことができたのです。

 物理的な配線と格闘する代わりに、端末の画面上でロジックを修正し、PLCに転送するだけで、機械の動きを自由自在に変更できる――。この体験が、PLCを普及させる原動力となりました。

図3 ラダー図の例 図3 ラダー図の例

 日本国内でもこの流れは加速します。1972年にオムロン(当時の立石電機)が国産PLCの先駆けとなる「SYSMAC」を発売。その後、各メーカーが開発競争を繰り広げる中で、この「ラダー図」が事実上の標準言語として定着したことで、PLCは日本のモノづくりの隅々にまで、広く、深く浸透していきました。

 そして、このプログラム化された制御は、もう1つの大きな革新を現場にもたらしました。それが、トラブル発生時に真価を発揮する状態の見える化です。

 筆者にも、忘れられない経験があります。

 ある自動車工場の立ち上げで、巨大なコンベヤーラインが突然停止してしまいました。その際、私たちはPCをPLCに接続し、ラダー図のモニター画面を開きました。すると、ONになるはずの1つのセンサー入力が、OFFになったまま――。原因は一目瞭然でした。

 この経験は、PLCがもたらした革新が、単なる柔軟性だけでなく、日々の安定生産に欠かせない保守性の向上にもあったことを物語っています。

       1|2 次のページへ

Copyright © ITmedia, Inc. All Rights Reserved.

特別協賛PR
スポンサーからのお知らせPR
Pickup ContentsPR
Special SitePR
あなたにおすすめの記事PR