【レベル10】これまでの冒険を振り返り、真の3D CADマスターとなれ!テルえもんクエストII(10)(3/3 ページ)

» 2026年03月23日 07時00分 公開
前のページへ 1|2|3       

問スター(12)があらわれた!

 おっと、これで終わりではありません。総まとめの問スター(12)の登場です。これまでの全てのアイテムを駆使し、この強敵を倒して、真の3D CADマスターの称号を手に入れてください!

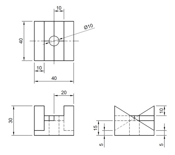
問スター(12) 図5 問スター(12)[クリックで拡大]

 図5の2D図面を読み取り、3Dモデルを作成してください。作成した部品名は「Part-C」とします。次に「Part-D」として、直径10mm、長さ35mmの丸棒の3Dモデルを作成してください。最後にアセンブリで、Part-Cを2個、Part-Dを1個使用し、部品同士が干渉しないように組み合わせ、直方体40×40×35mmの形にしてください。

 また、Part-Cの2D図面とアセンブリした分解図も作成してください。Part-Cの材料(マテリアル)は「ABS」、Part-Dは「真ちゅう」とします。



 問スター(12)の倒し方の手順と、テルえもん直伝の攻略法動画は次回お届けします!! それでは、次のクエストでまたお会いしましょう! (レベル11へ続く)

⇒ 連載バックナンバーはこちら

筆者プロフィール

小原照記(おばら てるき)

いわてデジタルエンジニア育成センターのセンター長、3次元設計能力検定協会の理事長も務める。3D CADを中心とした講習会を小学生から大人まで幅広い世代の人に行い、3Dデータを活用できる人材を増やす活動をしている。また企業の困り事に対し、デジタルツールを使って支援している。人は宝、財産であると考え、時代に対応する、即戦力になれる人財、また、時代を創るプロフェッショナルな人財の育成を目指している。優秀な人財がいるところには、仕事が集まり、人が集まって、より魅力ある街になっていくと考えて地方でもできること、地方だからできることを考えて日々活動している。


前のページへ 1|2|3       

Copyright © ITmedia, Inc. All Rights Reserved.

特別協賛PR
スポンサーからのお知らせPR
Pickup ContentsPR
Special SitePR
あなたにおすすめの記事PR