【レベル11】3D CADのマルチボディ機能を活用せよ!テルえもんクエストII(11)(1/3 ページ)

設計スキルのレベルアップを目指す設計者の皆さんを“冒険者”に見立て、さまざまな“問(モン)スター”に挑む「テルえもんクエストII」の世界へようこそ。【レベル11】のテーマは、「3D CADのマルチボディ機能を活用せよ!」だ。

» 2026年04月15日 08時00分 公開

本連載について:

ようこそ、「テルえもんクエストII」の世界へ――。設計スキルのレベルアップを目指す設計者の皆さんを“冒険者”に見立て、毎回クエスト(課題/テーマ)に沿って、さまざまな問(モン)スター(問題)が登場します。

筆者(テルえもん)から渡されるアイテム(基礎知識)を駆使して問スターを倒し、レベルアップ(スキルアップ)を目指しましょう!


⇒前回の【レベル10】はこちら

【レベル11】3D CADのマルチボディ機能を活用せよ!

 3D CADの「マルチボディ機能」は、メカ設計において非常に重要な役割を果たします。この機能は、単一の部品ファイル内で複数の独立したソリッドボディを作成し、それらを個別に操作できるものであり、複雑な設計を効率的かつ柔軟に進めるための強力なアイテムとなります。

 溶接品や樹脂成形品、板金部品など、機能性を持つ形状を組み合わせて構成される製品のモデリングに活用することが可能です。複数のボディを結合したり、切り取ったりすることで、複雑な形状も効率良くモデリングできます。

 また、ボディごとに編集できるため、設計変更が生じた場合でも影響範囲を最小限に抑えられます。例えば、ある部品の一部を変更する場合、通常は全体を修正する必要がありますが、マルチボディであれば該当するボディの修正だけで済みます。初期段階の構想設計などにおいて、複数の形状案を1つのファイル内で同時に検討できるため、試行錯誤も効率的に進められます。

 今回は、筆者が普段から使用している3D CAD「SOLIDWORKS」「Autodesk Fusion」「CATIA V5」を例に、マルチボディ機能とその活用例について解説します。

問スター(12)を攻略せよ!

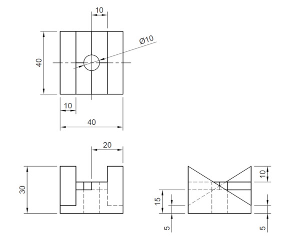
 マルチボディの紹介に入る前に、前回(レベル10)の最後に登場した問スター(12)を攻略しましょう。三面図から部品を作成し、アセンブリ(組み立て)を行い、2D図面と分解図を作成する課題でしたね。

問スター(12) 図1 問スター(12)[クリックで拡大]

 部品作成では、図面上の隠線をうまく読み取りながら、正確に3Dモデルを作成していきましょう。アセンブリ作業では、直方体の形になるよう位置関係をイメージし、部品を挿入した上で、ジョイントや拘束を使って正確に配置していきます。2D図面や分解図の作成では、これまでに入手したアイテム(基礎知識)を活用し、相手に伝わりやすい図面となるよう意識することが重要です。

 どうしても倒せない(分からない)場合や、倒し方の手順を知りたい場合は、テルえもん直伝の攻略法動画(動画1)を参考にしてください。

動画1 問(モン)スターを倒せ(12)!【3D CAD:Autodesk Fusion】MONOist連載「テルえもんクエストII(11)」

アイテム(1)マルチボディの作成

 SOLIDWORKSやAutodesk Fusionでは、ソリッド形状を追加していく過程で、同じボディにするか、別ボディにするかを選択できます。

 例えば、SOLIDWORKSでは、フィーチャー機能で形状を作成する際に「結果のマージ」のチェックを外すことで別ボディとなります。Autodesk Fusionでは「新規ボディ」を選択することで別ボディとして扱われます。

 CATIA V5では、あらかじめボディを挿入し、挿入したボディにそれぞれ形状を作成することで複数のボディを作成できます。挿入したボディの中に作業履歴が保存されるため、履歴の管理がしやすいというメリットもあります。

(左)SOLIDWORKS、(中央)Autodesk Fusion、(右)CATIA V5 図2 (左)SOLIDWORKS、(中央)Autodesk Fusion、(右)CATIA V5[クリックで拡大]

アイテム(2)ボディの結合、ブーリアン演算

 別々に作成したボディは、後から1つのボディに結合できます。複数のボディを結合する(和)、重なる部分を除去する(差)、あるいはそれを残す(積)といった作業を行えます。

ブーリアン演算の例 図3 ブーリアン演算の例[クリックで拡大]

 この処理は、一般的に「ブーリアン演算」と呼ばれます。使用する3D CADによってコマンド名はさまざまで、SOLIDWORKSでは[組み合わせ]、Autodesk Fusionでは[結合]という名称が用いられています。

 1つの部品ファイルに複数のボディを存在させることができるため、離れた位置に設計で重要となる形状を別々に作成し、後からつないで結合するといった手法を用いることが可能となります。主要な寸法を重要パーツに保持させる設計にも有効です。

ボディをつないだ例 図4 ボディをつないだ例[クリックで拡大]

 また、別ファイルで作成したソリッドボディを挿入し、設計を進めることも可能です。正確に位置を合わせ、ソリッドボディ同士でブーリアン演算を行います。例えば、別の人が設計した穴の形状を読み込み、自分で作成したボディ形状から除去することも可能です。

       1|2|3 次のページへ

Copyright © ITmedia, Inc. All Rights Reserved.

特別協賛PR
スポンサーからのお知らせPR
Pickup ContentsPR
Special SitePR
あなたにおすすめの記事PR