「コイル」は受動素子ナンバーワンの不思議ちゃん今岡通博の俺流!組み込み用語解説(13)(2/3 ページ)

» 2025年05月19日 10時00分 公開
[今岡通博MONOist]

用途4:特定の周波数の信号を取り出す

共振回路

 コンデンサーと組み合わせて特定の周波数の信号を選択的に通過または阻止する回路を構成します。

例:ラジオの選局回路、フィルター回路

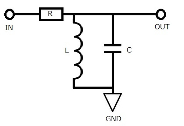
バンドパスフィルター

 いわゆるラジオの選局の仕組みがこれに当たります。図1ではバンドパスフィルターの回路を示しています。

図1 図1 バンドパスフィルターの回路

 バンドパスフィルターの回路では、先述した共振回路が電流の流れに対して並列に入った形になります。

用途5:特定の周波数の信号を減衰させる

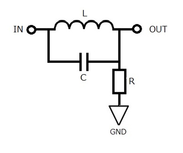
バンドカットフィルター

 ノッチフィルターなどとも呼ばれ、高級な通信型受信機は近隣周波数の混信をこのフィルターでカットします。図2にバンドカットフィルターの回路を示します。

図2 図2 バンドカットフィルターの回路

【訂正】図2のバンドカットフィルターの回路構成に誤りがあったため訂正しました。

 この回路では、バンドパスフィルターで示した共振回路が電流の流れに対して直列に入った形になります。



 このように、コイルは磁気や電磁誘導といった電気と磁気の基本的な原理を利用して、さまざまな機能を実現するために不可欠な部品となっています。私たちの生活を支える多くの技術に、コイルが重要な役割を果たしているといえるでしょう。

コイルに付随する「逆起電流」とは

 図3は、コイルを用いた回路で「逆起電流(逆起電力、逆起電圧)」が発生する原理を説明するためのものです。

図3 図3 逆起電流が発生する原理を説明するための図

 図3左側の回路でスイッチが閉じると電流はVCCからコイルLを通してGNDの方に流れます。コイルには磁界が発生します。

 ところがその後、図3右側の回路のようにスイッチを開放するとコイルLには電流が流れなくなり磁界は消滅します。しかしそれと同時に、磁界があった状態に戻そうとしてコイルからVCCに向かって電流が流れるのです。これが逆起電流の正体です。

 逆起電流は、コイルが付いたデバイス、例えばリレー、モーター、ソレノイドなどですが、これらを電子機器で制御しようとするときに逆起電流が悪さをしてドライブ側の素子が破損する場合があります。その対策として、コンデンサーやダイオードを適切に用いてそれらの事故を阻止する必要があります。

Copyright © ITmedia, Inc. All Rights Reserved.

特別協賛PR
スポンサーからのお知らせPR
Pickup ContentsPR
Special SitePR
あなたにおすすめの記事PR