【レベル5】作業履歴を正しく編集し、設計変更せよ! : テルえもんクエストII(5) (2/2 ページ)
それでは、前回(レベル4) の最後に登場した問スター(6) を攻略していきましょう!
図5 問スター(6)[クリックで拡大]
図面(図5 )に記載されている「P.C.D. 」は、“Pitch. Circle. Diameter.”の略で、直訳すると「ピッチ 円 直径」です。穴が円上に配置される場合に用いられる表記で、今回は“直径45mmの円上に穴がある”ことを意味しています。前回 のアイテム(穴の表記 )を思い出しながら3Dモデルを作成してみましょう。
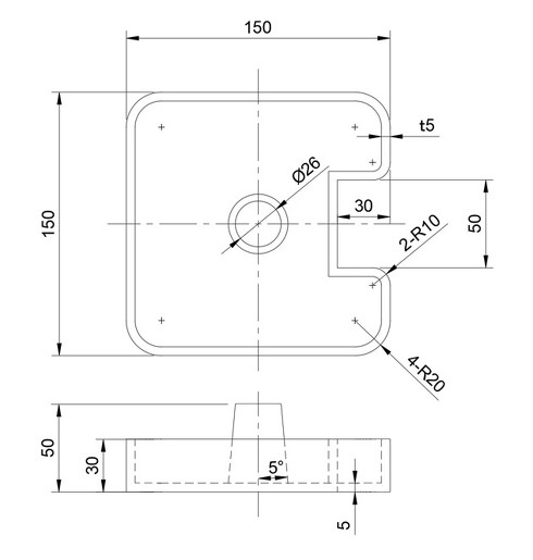
そして、なんとここで問スター(6) が進化(設計変更)しました!
図5 を攻略した後で、図6 の設計変更 を行ってください。今回紹介したアイテム(スケッチ編集やフィーチャー編集/削除など)をうまく活用すれば、進化した問スター(6) も倒せるはずです!!
図6 問スター(6)設計変更[クリックで拡大]
どうしても倒せない(分からない)場合や、倒し方の手順を知りたいという方は、テルえもん直伝の攻略法動画を参考にしてみてください(動画1 )。
なかなか手強かったですね……。むむっ!! 早くも次の問スターがあらわれたようです。今回の問スター(7) は2回進化するようです(図7〜9 )。いわゆる“中ボス”クラスのお出ましですね。
一つずつ、図面に記載されている値を確認しながら、確実に倒していきましょう!
図7 問スター(7)[クリックで拡大]
図8 問スター(7)設計変更【1】[クリックで拡大]
図9 問スター(7)設計変更【2】[クリックで拡大]
問スター(7) の倒し方の手順と、テルえもん直伝の攻略法動画は次回お届けします!! それでは、次のクエストでまたお会いしましょう! (レベル6へ続く)
⇒ 連載バックナンバーはこちら
小原照記 (おばら てるき)
いわてデジタルエンジニア育成センターのセンター長、3次元設計能力検定協会の理事長も務める。3D CADを中心とした講習会を小学生から大人まで幅広い世代の人に行い、3Dデータを活用できる人材を増やす活動をしている。また企業の困り事に対し、デジタルツールを使って支援している。人は宝、財産であると考え、時代に対応する、即戦力になれる人財、また、時代を創るプロフェッショナルな人財の育成を目指している。優秀な人財がいるところには、仕事が集まり、人が集まって、より魅力ある街になっていくと考えて地方でもできること、地方だからできることを考えて日々活動している。
【レベル4】図面の穴寸法の表記を攻略せよ!
設計スキルのレベルアップを目指す設計者の皆さんを“冒険者”に見立て、さまざまな“問(モン)スター”に挑む「テルえもんクエストII」の世界へようこそ。【レベル4】のテーマは、「図面の穴寸法の表記を攻略せよ!」だ。
【レベル3】図面の寸法値を複数回使うべからず!
設計スキルのレベルアップを目指す設計者の皆さんを“冒険者”に見立て、さまざまな“問(モン)スター”に挑む「テルえもんクエストII」の世界へようこそ。【レベル3】のテーマは、「図面の寸法値を複数回使うべからず!」だ。
【レベル2】指示された寸法値のみ使用せよ!
設計スキルのレベルアップを目指す設計者の皆さんを“冒険者”に見立て、さまざまな“問(モン)スター”に挑む「テルえもんクエストII」の世界へようこそ。【レベル2】のテーマは、「指示された寸法値のみ使用せよ!」だ。
【レベル1】2D図面から3Dモデルを作成せよ!
ようこそ、「テルえもんクエストII」の世界へ――。設計者の皆さんを“冒険者”に見立て、さまざまな“問(モン)スター”に挑む学習クエストの旅が始まります。攻略のカギとなる“アイテム(解説)”を駆使しながら、設計スキルのレベルアップを目指しましょう!
設計者のスキルアップ/学びに役立つ解説記事をピックアップ
連載「テルえもんが見たデジタルモノづくり最前線」では、筆者が日々ウォッチしているニュースや見聞きした話題、企業リリース、実体験などを基に、コラム形式でデジタルモノづくりの魅力や可能性を発信していきます。連載第10回では、設計者のスキルアップ/学びをテーマに、MONOistのオススメ連載記事を紹介します。
3D CAD利用動向調査から考える導入/活用の進め方
連載「テルえもんが見たデジタルモノづくり最前線」では、筆者が日々ウォッチしているニュースや見聞きした話題、企業リリース、実体験などを基に、コラム形式でデジタルモノづくりの魅力や可能性を発信していきます。連載第4回のテーマは「3D CADの導入と活用の進め方」です。
Copyright © ITmedia, Inc. All Rights Reserved.