【レベル3】図面の寸法値を複数回使うべからず!:テルえもんクエストII(3)(3/3 ページ)
設計スキルのレベルアップを目指す設計者の皆さんを“冒険者”に見立て、さまざまな“問(モン)スター”に挑む「テルえもんクエストII」の世界へようこそ。【レベル3】のテーマは、「図面の寸法値を複数回使うべからず!」だ。
問スター(4)を攻略せよ!
それでは、4つのアイテムを駆使して、前回(レベル2)の最後に登場した問スター(4)を攻略していきましょう!
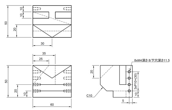
図5に示した2D図面から3Dモデルを作成する際のポイントは、「4×φ5」の記載を読み取り、直径5mmの穴を4つ開けることです。穴の位置は、直径35mmの円周上にあることが確認できます。配置角度の記載はありませんが、中心線が描かれており、4等分で配置されていることが分かります。
このように角度の明記がなく、見た目で等分と判断できる場合には、暗黙的に均等配置と解釈します。こうした図面は、実務や資格試験でもよく見られますので、ぜひこの機会に覚えておきましょう。
また、形状の厚みに関して、今回は側面図に寸法が記載されていますが、板物の場合は側面図を省略し、記号「t」を付けて厚みを表すことがあります。例えば、厚みが2mmの場合には「t2」とだけ記載されるケースもあります。「t」は「てぃー」と読み、英語で厚みを意味する「thickness」の略です。この他にも、「t=2」や「2t」といった表記が使われることもあります。
さらに覚えておいてほしいのは、JIS規格では、図面上で穴が円形であることが明らかな場合、「φ」の記号を省略してもよいとされている点です。そのため、「φ」の記載がなくても、形状から明らかに円と判断できる場合は、3Dモデルも円形になるように作成してください。
それでは、まずは自力で問スター(4)にチャレンジしてみてください!
どうしても倒せない(分からない)場合や、倒し方の手順を知りたいという方は、テルえもん直伝の攻略法動画を参考にしてみてください(動画1)。
いかがでしたでしょうか? 今回は、2D図面で指示されている寸法値を複数回使わず、1回のみの使用で3Dモデルを作成することの大切さと、それを実現するためのアイテム(基礎知識)を紹介しました。
問スター(5)があらわれた!
おや? 一段落ついたところで、新たな問スターが登場です! どうやら、今回は少し手ごわい相手のようですね……(図6)。
問スター(5)の倒し方の手順と、テルえもん直伝の攻略法動画は次回お届けします!! それでは、次回のクエストでまたお会いしましょう! (レベル4へ続く)
筆者プロフィール
小原照記(おばら てるき)
いわてデジタルエンジニア育成センターのセンター長、3次元設計能力検定協会の理事長も務める。3D CADを中心とした講習会を小学生から大人まで幅広い世代の人に行い、3Dデータを活用できる人材を増やす活動をしている。また企業の困り事に対し、デジタルツールを使って支援している。人は宝、財産であると考え、時代に対応する、即戦力になれる人財、また、時代を創るプロフェッショナルな人財の育成を目指している。優秀な人財がいるところには、仕事が集まり、人が集まって、より魅力ある街になっていくと考えて地方でもできること、地方だからできることを考えて日々活動している。
Copyright © ITmedia, Inc. All Rights Reserved.
関連記事
【レベル2】指示された寸法値のみ使用せよ!
設計スキルのレベルアップを目指す設計者の皆さんを“冒険者”に見立て、さまざまな“問(モン)スター”に挑む「テルえもんクエストII」の世界へようこそ。【レベル2】のテーマは、「指示された寸法値のみ使用せよ!」だ。
【レベル1】2D図面から3Dモデルを作成せよ!
ようこそ、「テルえもんクエストII」の世界へ――。設計者の皆さんを“冒険者”に見立て、さまざまな“問(モン)スター”に挑む学習クエストの旅が始まります。攻略のカギとなる“アイテム(解説)”を駆使しながら、設計スキルのレベルアップを目指しましょう!
設計者のスキルアップ/学びに役立つ解説記事をピックアップ
連載「テルえもんが見たデジタルモノづくり最前線」では、筆者が日々ウォッチしているニュースや見聞きした話題、企業リリース、実体験などを基に、コラム形式でデジタルモノづくりの魅力や可能性を発信していきます。連載第10回では、設計者のスキルアップ/学びをテーマに、MONOistのオススメ連載記事を紹介します。
3D CAD利用動向調査から考える導入/活用の進め方
連載「テルえもんが見たデジタルモノづくり最前線」では、筆者が日々ウォッチしているニュースや見聞きした話題、企業リリース、実体験などを基に、コラム形式でデジタルモノづくりの魅力や可能性を発信していきます。連載第4回のテーマは「3D CADの導入と活用の進め方」です。
3D CAD操作の効果的な習得とモデリング力をアップするための秘訣とは
現代のモノづくりにおいて、3D CADやCAE、CAM、3Dプリンタや3Dスキャナーといったデジタル技術の活用は欠かせない。だが、これらを単に使いこなしているだけではデジタル技術を活用した“真の価値”は発揮できない。必要なのは、デジタル技術を活用し、QCDの向上を図り、安全で魅力ある製品を創り出せる「デジタルエンジニア」の存在だ。連載第3回では「3D CAD操作の効果的な習得とモデリング力をアップするための秘訣」について解説する。
3D CADを用いて2D図面を作成すべき理由
“脱2次元”できない現場を対象に、どのようなシーンで3D CADが活用できるのか、3次元設計環境をうまく活用することでどのような現場革新が図れるのか、そのメリットや効果を解説し、3次元の設計環境とうまく付き合っていくためのヒントを提示します。今回は、3D CADに搭載されている基本的な「図面機能」について取り上げます。

